|
IR+ALS (2 in 1)接收头+光线传感器二合一 BH-IS9334CMV-R 返回上一页
国内唯一带环境光传感器和LED的接收头,采用Moding封装,
产品可以正面及侧面贴片使用。主要用于LED-TV,OLED-TV。
韩国三星已大量使用中,欢迎咨询。
产品可以正面及侧面贴片使用。主要用于LED-TV,OLED-TV。
韩国三星已大量使用中,欢迎咨询。
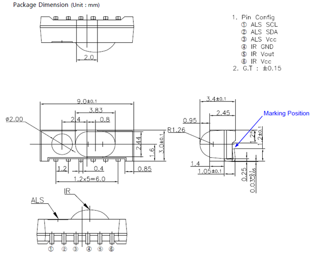
产品尺寸:
IR光电参数:
ALS光电参数:
红外接收+光线感应器(2合一产品、3合一产品等)已在大批量出货国内电视机大厂,联系电话,13713866956颜先生,QQ:465264692.

